Skip to content

T14 guide shoe

$0.00
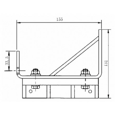
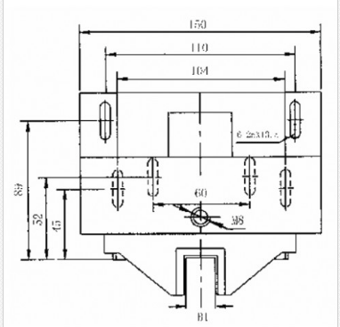
T14 guide shoe
ItemNo.: TY-GSK08
Rated speed:≤2.5m/s
Width of guide rails:B1,10mm,16mm