Skip to content

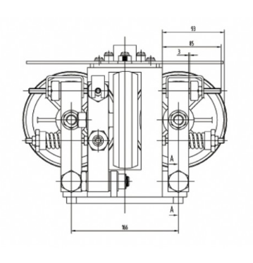
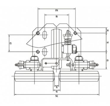
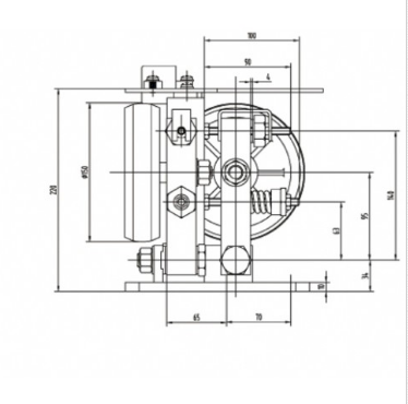
Roller guide shoes-ItemNo- TY-GSR002

$0.00

KONE Roller guide shoes-ItemNo- TY-GSR002

ItemNo.: TY-GSR002
Rated speed:≤3.50m/s
Width of guide rails:10mm,16mm